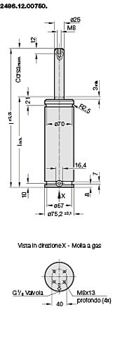
2486.12.00750. Molla a gas SPEED CONTROL, a corsa frenata
Nota:
La forza iniziale della molla a 150 bar è pari a 750 daN
Numero d’ordine per il corredo dei ricambi: 2486.12.00750
Fluido operativo per la messa in pressione:
gas azoto – N2
Massima pressione di carica: 150 bar
Minima pressione di carica: 25 bar
Temperatura ambiente per il funzionamento:
da 0°C a +80°C
Incremento di forza per effetto della temperatura: ± 0,3%/°C
Corse al minuto, massime raccomandate:
da circa 16 a 24 (a 20°C)
Lunghezza della corsa di ritorno frenata: ~30 mm
Velocità della corsa di ritorno frenata:
0,4 m/s
La forza iniziale della molla a 150 bar è pari a 750 daN
Numero d’ordine per il corredo dei ricambi: 2486.12.00750
Fluido operativo per la messa in pressione:
gas azoto – N2
Massima pressione di carica: 150 bar
Minima pressione di carica: 25 bar
Temperatura ambiente per il funzionamento:
da 0°C a +80°C
Incremento di forza per effetto della temperatura: ± 0,3%/°C
Corse al minuto, massime raccomandate:
da circa 16 a 24 (a 20°C)
Lunghezza della corsa di ritorno frenata: ~30 mm
Velocità della corsa di ritorno frenata:
0,4 m/s
Effettua il login per vedere prezzo e disponibilità e ordinare il prodotto.
Prodotti
Mostrando 1-10 di 5 articoli
| Numero articolo | Inizio forza elastica | Corsa max | HUB | Diametro tubo cilindrico | Diametro asta del pistone | Lunghezza | |
|---|---|---|---|---|---|---|---|
| 2486.12.00750.125 | 750 daN | 125 mm | 126 | 75.2 mm | 25 mm | 360 mm | |
| 2486.12.00750.160 | 750 daN | 160 mm | 161 | 75.2 mm | 25 mm | 430 mm | |
| 2486.12.00750.200 | 750 daN | 200 mm | 201 | 75.2 mm | 25 mm | 510 mm | |
| 2486.12.00750.250 | 750 daN | 250 mm | 251 | 75.2 mm | 25 mm | 610 mm | |
| 2486.12.00750.300 | 750 daN | 300 mm | 301 | 75.2 mm | 25 mm | 710 mm |